工频变压器的电动自行车充电器
(1)快乐牌KLG智能充电器
快乐牌KLG智能充电器是一款货运三轮常用的大功率带环牛变压器的充电器。电路原理图见图15所示。

变压器T初级有一个抽头。次级有两个独立绕组。下边14V是辅助电源绕组。给控制电路供电;上边充电绕组有个抽头,供36V电瓶充电使用。上边是供48V电瓶(未用)。市电通过继电器常闭触点J-1接在初级抽头A上时,是恒流充电位置,输出43.2V;通过继电器常开触点接在初级上端B时,是涓流充电位置,输出37.5V~43.2V。
U3、G2组成滞后型电瓶电压检测电路,电瓶电压通过电压取样电阻W2、R2和R3加到U3B的⑤脚,当电瓶电压升到43.2v时,U3B翻转,⑦脚输出高电平,U3A翻转,其①脚输出高电平,导致G2导通,使U3基准电位下降,产生滞迟闭锁效应。此时由于U3A的①脚输出高电平,G1导通,继电器J得电,继电器常开触点接在B点上,进入涓流充电位置,输出37.5V~43.2V。调整W2可以改变切换电压。R6、C6是积分电路,延时一分钟左右。
该充电器用于48V电瓶充电时,只需做两处改动:充电主绕组由抽头改接到上端;增大电压取样电阻上半部分。如有必要则更换电压表头。
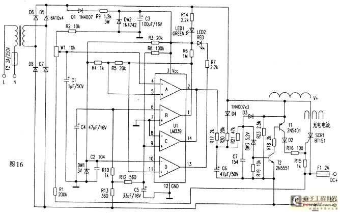
(2)千鹤100Hz脉冲充电器
电路原理图见图16。工频变压器T1是降压变压器,D5~D8组成桥式整流,输出的脉动直流不经滤波供电瓶充电。

上述脉动直流经D1、R9、DW2为控制电路供电。 充电开关SCRl是单向可控硅,它导通时为电池充电,由于供电电源是馒头形的100Hz脉动直流电,过零时关断,所以这个充电器为100Hz脉冲充电器,充电电流波形如图16中所示。
充电开关控制由DW3、T1、T2组成。在馒头形的100Hz脉动直流电的每个周期,V+电位上升到DW3反向击穿时,V+经D4、R20、R21、DW3使T2导通,进而使T1导通,V+经T1、D2使SCR1导通,在V+电位高于电瓶电压时,V+对电瓶充电。但是,如果将R20和R21分压点接地,V+电位再高,DW3、T2、T1、SCR1也不会导通。保护电路和充电停止就是利用将R20和R21分压点电位拉低实现关闭充电输出。
电瓶电压限压检测由U1A、R1、W1、R2组成。当电瓶电压上升到43.5V时,U1A翻转,它的②脚对地导通,通过R17将R20和R21分压点电位拉低实现关闭充电输出。
充电电流限流检测由U1C、R12、R13组成,当充电电流超过限定值时,电流取样电阻R11左端电位降低到使U1C翻转,它的(14)脚对地导通,同样将R20和R21分压点电位拉低实现关闭充电输出。
充电状态检测由U1B、R10、R13组成,当充电电流超过规定值时,电流取样电阻R11左端电位降低到U1B翻转,它的①脚变为高电位,促使充电状态显示驱动U1D翻转,其(13)脚电位变高,充电灯LED2熄灭。在U1B的①脚电位变高时,也升高了U1A的基准电压,即升高了电瓶限压的门槛电压值,充电脉冲电流波形左边变窄,即使充电电流下降。
