磷酸铁锂电池充电电路
CN3059是一种对单节磷酸铁锂电池进行恒流、恒压充电的充电器IC。用该IC组成的充电器主要特点:充电电流可由一外设电阻RISET设定,最大充电电流可达1A;输入电压4~6V,可采用USB接口或4.5~6V输出电压(输出电流1000~1500mA)的AC/DC适配器供电;充电器电路简单、外围元器件少、成本低;对过放电(电池电压<2.0V)的电池有小电流预充电模式;内部有功率器理电路,若芯片的结温超过115℃时能自动降低充电电流作过热保护,使用户可设置较大的充电电流,以提高充电效率;有两个LED分别作充电状态指示及充电结束指示;有输入电压过低(<3.61V)时的输出锁存功能、自动再充电功能、电池温度监测功能;采用小尺寸、散热增强性的10引脚DFN封装;充电温度范围0~45℃或0~65℃(由充电电池参数决定)。
CN3059是磷酸铁锂电池的专用充电器IC,但它还有一个独特的特点:外设一个电阻RVSET,它可以增加恒压充电的输出电压。利用这个独特的特点,可以组成简易的3节镍氢电池充电器及4V铅酸电池充电器或锂离子电池充电器。
由CN3059组成的充电器适合充 0.5~4Ah的磷酸铁锂电池。其应用领域:矿灯、LED应急灯、警示灯;车模、船模、航模及电动玩具;在照相机中,用3.2V磷酸铁锂电池替代一次性3V锂电池(型号为CR123A),其外廓尺寸相同;通信装置;小型医疗仪器及野外测试仪器;小型电动工具等。另外,可采用CN3059组成充3节镍氢电池及4V铅酸电池的充电器等。
封装、引脚排列及功能
CN3059采用散热增强型10引脚小尺寸DFN封装,其引脚排列如图1所示,各引脚功能如表1所示。

图1 CN3059引脚图

主要参数
CN3059的极限参数:各引脚的电压范围为-0.3~6.5V;BAT引脚与GND短路时间可连续;静电击穿电压为2kV;最高结温为150℃;焊接温度为300℃(10s)。
CN3059的电气参数:电源输入电压范围为4~6V;静态电流典型值为650μA;低压锁存电压为VIN≤3.61V;预存电阈值电压是电池电压小于2.05V;恒压充电电压3.6V;充电结束阈值电压(ISET端电压)为0.22V;睡眠模式阈值电压为VIN-VBAT≤20mV;睡眠模式解除阈值电压为VIN-VBAT≥50mV;TEMP端高温阈值电压为80%VIN,低温阈值电压为48% VIN。
典型应用电路
采用CN3059组成磷酸铁锂电池充电器电路与由CN3056组成的锂离子充电器电路相比,前者有两个突出的优点:①精确检测充电电池的电压,充电电池的终止充电电压控制得更精确,使电池充的更满;②采用在FB端与电池正极之间加接一个电阻RVSET,使充电器除能充磷酸铁锂电池外,也可简单地组成充铅酸电池及镍氢电池,扩展了充电器功能。下面分别介绍这2种典型应用电路。
1、充磷酸铁锂电池电路
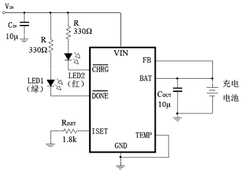
充电电池型号为26650,容量为2800mAH,采用1000mA恒流电充电(其充电率约0.36C),充电器电路如图2所示。

图2 磷酸铁锂电池充电电路
充电器采用输出直流电压5V、输出电流1500mA的AC/DC适配器作电源。用红色LED作充电状态指示灯,用绿色LED作充电结束指示灯。设定恒流充电电流ICH=1000mA,则RISET为:
RISET=1800V/1A=1.8kΩ (1)
CIN(10μF)及COUT(10μF)是为保证充电器工作稳定的输入及输出电容,可采用多层陶瓷电容器(MLCC)。
这里重点介绍精确电池电压检测电路。图3是一般电池电压检测电路,图4是精确电池电压检测电路。图3中,BAT端外接充电电池,内接由R1、R2组成的电阻分压器,其中间点为输入误差放大器,根据充电电池的实际电压来对电池进行预充电、恒流充电及恒压充电。若在恒流充电时的充电电流为ICH、BAT端的电压为VBAT,电池的电压为V’BAT。若BAT端到电池正极之间的金属连接线的电阻为△R,则ICH电流从BAT端到电池正极间的电压降VDROP =ICH×△R,则VBAT=ICH×△R+V’BAT (V’BAT<VBAT)。充电电流越大,则VBAT与V’BAT的差值越大。输入到误差放大器的电压是VBAT的分压而不是V’BAT的分压,因此产生电池实际电压的检测误差。
再看图4电路,BAT端向电池充电。另外,由电池正极加一条连接到FB端,将电池电压通过R1、R2分压器后输入误差放大器。

图3 一般电池电压检测电路

图4 精确电池电压检测电路
粗看起来,FB端、电池正极端及BAT端是同电位的。但要注意的是从BAT端流到电池正极的电流是ICH,若连接线电阻为△R,其压差VDROP=ICH×△R;而若从电池正极流入FB的电流是IFB,连接线电阻也为△R,则V’BAR-VFB的压差为IFB×△R。因为ICH往往是0.xA~1A,而IFB≈3μA ,所以VBAT与V’BAT的压差较大,而V’BAT与VFB之间的压差甚小(VBAT>V’BAT>VFB),用VFB端反馈到误差放大器的电压与电池的实际电压更接近,即检测电池电压更精确。这一种精确测量方法也称为开尔文检测法(KeLvin)。用这方法精确检测电池电压可使电池的终止充电电压更精确,电池也冲的更满。
2 、充4V铅酸电池或3节镍氢电池或锂离子电池的电路
在FB端与电池正极之间加一个RVSET电阻,可以调节恒压充电的电压这一特点,则除充磷酸铁锂电池外,还可组成简易4V铅酸电池或3节镍氢电池充电器,电路如图5所示。

图5 铅酸电池或镍氢电池充电器电路
设定的终止充电电压Vbat与RVSET的关系为:
Vbat(V)=3.6(V)+3.04×10-6(A)×RVSET(Ω) (2)
由于这种简易充电器设定了终止充电电压,所以在充电过程不会产生过充电的情况,即充电是安全的。但由于不同种类的电池有各自的充电程式及终止充电的检测方法,因此用CN3059组成的简易充电器在充满程度上需要差一些。另外,在充3节镍氢电池时,由于充电器没有每节电池均压充电的电路,所充的电池应是同一种型号、同一公司生产、同一组使用的电池,否则会造成由于电池的内阻不同而产生的有的电池未充满,有的电池已过充电的情况。不同充电电池的RVSET值如表2所示。
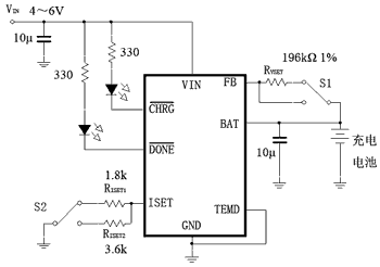
图6是一种充3.2V磷酸铁锂电池(S1打在下面)及充3.6V锂离子电池(S1打在上面)的充电器电路。另外,它是恒流充电可选500mA(S2打在下面)或1000mA(S2打在上面)的充电电路。

图6 3.2V磷酸铁锂电池及3.6V锂离子电池充电器电路
